Описание комплектации: с Белой клавишей смыва
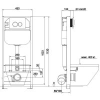
Инсталляция Aquanika Basic 10.702.450.02.05W для унитаза с Белой клавишей смыва.Характеристики:Инсталляция: Цвет рамы: синий. Материал рамы: сталь с покрытием порошковой эмалью. Стальной профиль: 50x25 мм толщиной 2 мм. Вертикальные ребра жесткости в конструкции рамы. Материал бачка: полиэтилен низкого давления (ПНД) с защитой от конденсата. Цельно-выдувной бесшовный бачок. Объем бачка: 7.5 л. Заливной клапан с низким уровнем шума - менее 20 Дб. Размеры (ВxШ): 1130-450 мм. Межосевое расстояние под крепежные шпильки: 230 и 180 мм. Максимальная нагрузка: 400 кг. Монтаж: в капитальную стену, пол. Клавиша смыва: Цвет: белый. Материал: ABS-пластик. Размеры (ШхВхГ): 244х160х20 мм. Режим слива воды: двухрежимный. Управление: механическое. В комплекте поставки: Инсталляция. Крепеж. Шумоизоляция. Клавиша смыва.










































