Описание комплектации: с клавишей смыва Хром
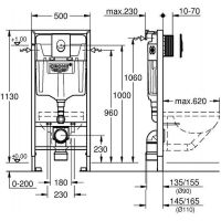
Инсталляция Grohe Rapid SL 38721001 для унитаза.Предоставит свободу в реализации самых смелых идей при проектировании ванной комнаты и обеспечит быструю и надежную установку.Характеристики: Инсталляция:
Самонесущая стальная рама с порошковым напылением подготовлена для облицовки. Смывной бачок GD 2, 6-9 л, заводская настройка 6 л и 3 л. Управление: пневматический смывной клапан. 3 режима смыва: 2-х объёмный, старт/стоп или непрерывный. Подключение воды: слева, справа и сзади. Изоляция от конденсационной влаги. Расстояние между болтами 18/23 см. Выходной патрубок для унитаза диаметром 9 см. Редуктор диаметром 9/11 см. Система быстрого монтажа GROHE QuickFix. Размеры (ШхВхГ): 500x1130x230 мм. Монтаж перед стеной или стеной-перегородкой.
Клавиша смыва:
Материал: ABS-пластик. Хромированное покрытие Grohe StarLight гарантирует длительную износостойкость без царапин с сияющей чистотой. Размеры: 156x197 см.
В комплекте поставки: Инсталляция. Клавиша смыва. Крепежный комплект.










































