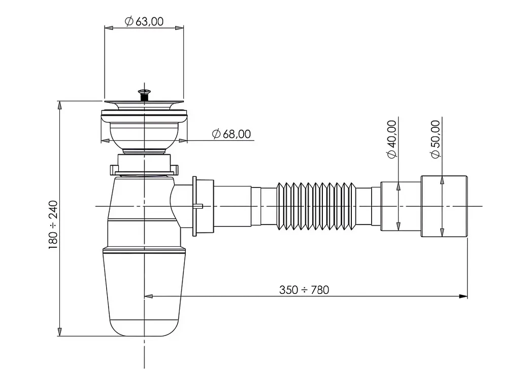
Сифон для раковины/умывальника бутылочного типа Стильный и функциональный сифон для раковины или умывальника обеспечивает надежный слив воды и защищает от засоров и неприятных запахов. Бутылочная конструкция с глубоким отстойником предотвращает попадание мусора в канализацию, а герметичные соединения исключают протечки.Основные характеристики:? Тип: бутылочный (с отстойником)? Габариты: 180 ? 68 ? 385/765 мм (регулируемая высота)? Регулировка по высоте: до 6 см – удобная подстройка под разные модели раковин? Диаметр слива: 32 мм (стандарт для большинства умывальников)? Подключение к канализации: 40/50 мм (универсальный переходник в комплекте)? Решётка: из нержавеющей стали – долговечность и эстетичный вид? Материал корпуса: прочный пластик, устойчивый к коррозии и механическим нагрузкамПреимущества:? Простота монтажа – легко устанавливается без специального инструмента? Герметичность – надежные уплотнители предотвращают протечки? Лёгкий уход – отстойник легко разбирается для очистки? Современный дизайн – подходит для любых интерьеров ванной или кухниКомплектация:- Сифон бутылочного типа - Решётка из нержавеющей стали - Уплотнительные прокладки и крепежные элементы - Идеальное решение для подключения раковины с удобной регулировкой и долгим сроком службы!

Сифон для раковины 1 1/4" арт-125320


Способы получения

О товаре


Вас заинтересуют в бренде
Аксессуары
Отзывы и вопросы
Отзывов еще нет — поделитесь своим опытом первым.
Поделитесь мнением, чтобы помочь другим покупателям с выбором.
Условия доставки
Стоимость доставки
Доставка по Москве и МО
Бесплатно! Товары доставляются прямо к вашей двери с заботой о безопасности.
Доставка в регионы РФ - от 1990₽
Точная стоимость зависит от региона. Мы предлагаем оптимальные условия с учетом ваших пожеланий.
• Доставка до ТК - Бесплатно!
• Оплата доставки - при получении в ТК.
• Отгрузка товара - после предоплаты.
Для точной стоимости свяжитесь с менеджером, который учтет все ваши пожелания.
Сроки доставки - от 1 дня
Сроки доставки от 1 рабочего дня
Мы обеспечиваем быструю и надежную доставку заказов. Если товар есть в наличии, он будет отправлен на следующий день после оплаты.
Для точной информации о сроках доставки свяжитесь с менеджером, который учтет все ваши пожелания.
Сборка и установка - от 1990₽
Установка осуществляется нашей командой и проверенными партнерами.
Как заказать
Для заказа дополнительных услуг укажите это при оформлении заказа или позвоните в магазин для уточнения возможности дополнительного заказа.
Для точной стоимости сборки и установки свяжитесь с менеджером, который учтет все ваши пожелания.
Гарантия и возврат
Гарантия от производителя — гарантийный срок устанавливается производителем и указан в гарантийном талоне или инструкции.
Перед отправкой мы всегда проверяем наличие сопроводительных документов, и будем рады, если вы тоже убедитесь в этом!
Возврат — 14 дней с момента получения.


































